Welcome to the official website of SHANGHAI YITAN VALVE CO., LTD
SHANGHAI YITAN VALVE CO., LTD
CONTACT US
Email: vickysong@yitan-valve.com
Mobile: +86-137 0166 2562
Contact: Vicky
SKYPE: songhuiyao730

Address:5 Floor, NO.277 Huqingping RD, Minhang district,  Shanghai, China

HOT PRODUCTS
CATEGORY
PRODUCTS
Globe valve DIN3356 PN16

Globe valve DIN3356 PN16

Design standard

DIN3352

Face to face :

DIN3202 F1

Flange to

DIN EN1092-1 PN16

Working Pressure:

PN16

Test and Inspection:

API598


0.00
0.00
  
Product Description

Design standard

DIN3352

Face to face :

DIN3202 F1

Flange to

DIN EN1092-1 PN16

Working Pressure:

PN16

Test and Inspection:

API598






Stem

SS420

Wedge face ring

Bronze

Wedge

Cast iron

Seat ring

Bronze

Body

Cast iron

Parts

Material



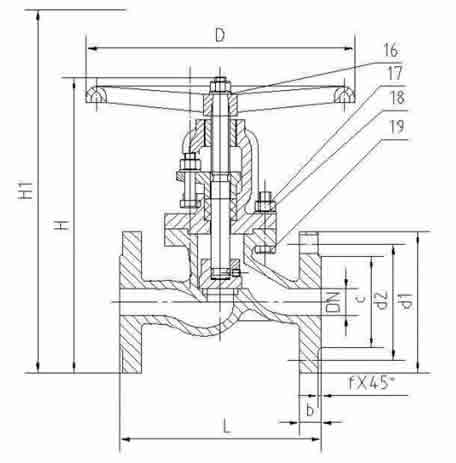
Dimension:


SIZE

L

C

D2

D1

n-d

H1

2”

DN50

230

102

125

165

4-18

285

2.5”

DN65

290

122

145

185

4-18

312

3”

DN80

310

138

160

200

8-18

355

4”

DN100

350

158

180

220

8-18

430

5”

DN125

400

188

210

250

8-18

445

6”

DN150

480

212

240

285

8-22

528

8”

DN200

600

268

295

340

12-22

580

10”

DN250

730

320

355

405

12-26

770

12”

DN300





12-26