Welcome to the official website of SHANGHAI YITAN VALVE CO., LTD
SHANGHAI YITAN VALVE CO., LTD
CONTACT US
Email: vickysong@yitan-valve.com
Mobile: +86-137 0166 2562
Contact: Vicky
SKYPE: songhuiyao730

Address:5 Floor, NO.277 Huqingping RD, Minhang district,  Shanghai, China

HOT PRODUCTS
CATEGORY
PRODUCTS
Basket strainer DIN PN16

Basket strainer DIN PN16

Design standard

DIN

Flanged conform to

DIN2501 PN16/BS4504 PN16

Working pressure:

PN16

Working Tempt.

-10~120


0.00
0.00
  
Product Description

Design standard

DIN

Flanged conform to

DIN2501 PN16/BS4504 PN16

Working pressure:

PN16

Working Tempt.

-10~120






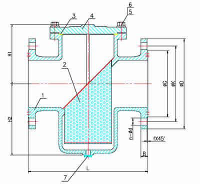
7

Plug

Carbon steel

6

Nut

Carbon steel

5

Bolt

Carbon steel

4

Cover

Ductile iron

3

Cover gasket

EPDM

2

Screen

SS304

1

Body

Ductile iron

NO.

Parts

Material



Dimension:


SIZE

L

G

K

N-d

D

B

H1

H2

2”

DN50

207

99

125

4-19

165

19

114

98

2.5”

DN65

210

119

145

4-19

185

19

129

112

3”

DN80

251

134

160

8-19

200

19

142

125

4”

DN100

292

156

180

8-19

220

19

165

160

5”

DN125

334

184

210

8-19

250

19

173

185

6”

DN150

378

211

240

8-23

285

19

165

235

8”

DN200

475

266

295

12-23

340

20

215

295

10”

DN250

511

320

355

12-28

405

22

325

340

12”

DN300

667

378

410

12-28

460

24.5

283

423

16”

DN400

842

490

525

16-31

580

28

390

590

20”

DN500

900

610

650

20-34

715

31.5

441

696

24”

DN600

1000

710

770

20-37

840

36

523

834