Welcome to the official website of SHANGHAI YITAN VALVE CO., LTD
SHANGHAI YITAN VALVE CO., LTD
CONTACT US
Email: vickysong@yitan-valve.com
Mobile: +86-137 0166 2562
Contact: Vicky
SKYPE: songhuiyao730

Address:5 Floor, NO.277 Huqingping RD, Minhang district,  Shanghai, China

HOT PRODUCTS
CATEGORY
PRODUCTS
air release valve ductile iron body PN16

air release valve ductile iron body PN16

Design standard

BS EN1074-4

Working pressure:

PN16

Flanged drilled to

BSEN 1092-2 PN16

Test to

BS EN12266-1


0.00
0.00
  
Product Description

Design standard

BS EN1074-4

Working pressure:

PN16

Flanged drilled to

BSEN 1092-2 PN16

Test to

BS EN12266-1




Main Material:

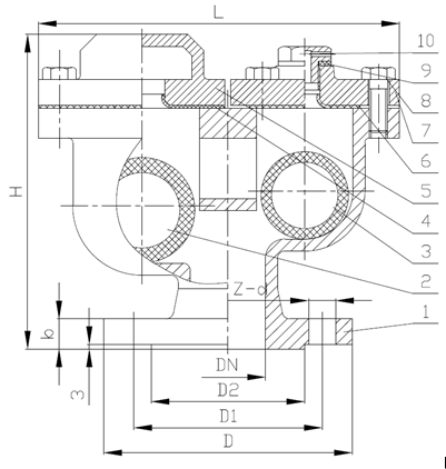
10

Bolt

Stainless Steel

9

Milipad

NYL

8

Bolt

Carbon steel

5/7

Cover

Ductile iron

4/6

Gasket

EPDM

3

Small float Ball

ABS

2

Big float Ball

ABS

1

Body

Ductile iron

NO.

Parts

Material



Dimension:

SIZE

L

H

D

D1

D2

b

Z-d

2”

DN50

240

211

165

125

99

19

4-19

2.5”

DN65

256

211

185

145

118

19

4-19

3”

DN80

305

261

200

160

132

19

8-19

4”

DN100

328

269

220

180

156

19

8-19

6”

DN150

392

320

285

240

211

19

8-23