Welcome to the official website of SHANGHAI YITAN VALVE CO., LTD
SHANGHAI YITAN VALVE CO., LTD
CONTACT US
Email: vickysong@yitan-valve.com
Mobile: +86-137 0166 2562
Contact: Vicky
SKYPE: songhuiyao730

Address:5 Floor, NO.277 Huqingping RD, Minhang district,  Shanghai, China

HOT PRODUCTS
CATEGORY
PRODUCTS
tilting Rubber plate check valve BS5153 PN16

tilting Rubber plate check valve BS5153 PN16

The Tilting rubber plate check valve is mainly installed in the underground inspection well at the outlet of the water distribution pool or in the underground inspection well of the water delivery and distribution pipeline. Once the downstream of the water delivery and distribution pipeline breaks and a large amount of water leaks, it can quickly block the water source of the upstream and distribution pipeline to minimize the loss and protect people's lives. Property safety, and help save water resources.


0.00
0.00
  
Product Description

The Tilting rubber plate check valve is mainly installed in the underground inspection well at the outlet of the water distribution pool or in the underground inspection well of the water delivery and distribution pipeline. Once the downstream of the water delivery and distribution pipeline breaks and a large amount of water leaks, it can quickly block the water source of the upstream and distribution pipeline to minimize the loss and protect people's lives. Property safety, and help save water resources.



Technical Parameter:

Design standard

BS5153

Face to face :

BS5153

Flange to

EN1092-2 PN10/16

Working Pressure:

PN16

Test and Inspection:

ISO5208





Main Material:

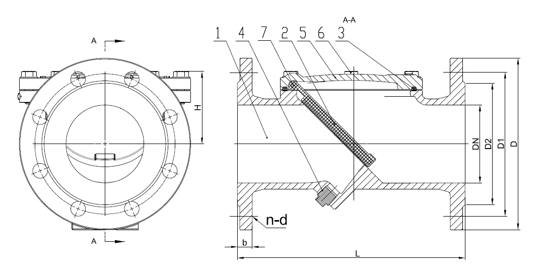
7

Hinge Pin

SS

6

Cover Bolt

SS304

5

Cover

Ductile iron

4

Plug

SS304

3

Gasket

EPDM

2

Disc

Ductile iron wrapped EPDM/NBR

1

Body

Ductile iron


Parts

Material


Dimension:

SIZE

L

D2

D1

D

z-d

b

H

2”

DN50

203

99

125

165

4-19

19

70

2.5”

DN65

216

118

145

185

4-19

19

74

3”

DN80

241

132

160

200

8-19

19

81

4”

DN100

292

156

180

220

8-19

19

93

5”

DN125

330

184

210

250

8-19

19

112

6”

DN150

356

211

240

285

8-23

19

126

8”

DN200

495

266

295

340

12-23

20

164

10”

DN250

622

319

355

405

12-28

22

195

12”

DN300

698

370

410

460

12-28

24.5

229