Welcome to the official website of SHANGHAI YITAN VALVE CO., LTD
SHANGHAI YITAN VALVE CO., LTD
CONTACT US
Email: vickysong@yitan-valve.com
Mobile: +86-137 0166 2562
Contact: Vicky
SKYPE: songhuiyao730

Address:5 Floor, NO.277 Huqingping RD, Minhang district,  Shanghai, China

HOT PRODUCTS
CATEGORY
PRODUCTS
Flanged end PTFE seat butterfly vlave PN16

Flanged end PTFE seat butterfly vlave PN16

PTFE lining flanged type butterfly valve is normally applicable for acids and alkalis pipeline, such as petroleum, chemical, and food. It has a strong anti-corrosion function. Wafer type butterfly valve is 100% bi-directional tight shut-off. Installation without restriction in direction of flow.
Stainless steel butterfly valve is Low pressure loss and reduced energy costs; Easy to clean and disinfect for potable water systems etc.


0.00
0.00
  
Product Description

PTFE lining flanged type butterfly valve is normally applicable for acids and alkalis pipeline, such as petroleum, chemical, and food. It has a strong anti-corrosion function. Wafer type butterfly valve is 100% bi-directional tight shut-off. Installation without restriction in direction of flow.
Stainless steel butterfly valve is Low pressure loss and reduced energy costs; Easy to clean and disinfect for potable water systems etc.



Technical Parameter;


Design standard

EN593,API609,BS5155,MSS SP-67

Working pressure:

PN16

Shell Test

2.4MPa

Seal Test

1.76MPa

Working Temperature:

-20~200

PTFE



Main Material:

7

O-Ring

EPDM

6

Bushing

PTFE

5

Shaft

SS410/SS304/SS316/SS431/SS630

4

Seat Energizer

Silicone

3

Body Seat

PTFE

2

Disc

CF8/CF8M/CF3M coated PTFE

1

Body

Ductile iron/SS304/SS316

NO.

Parts

Material

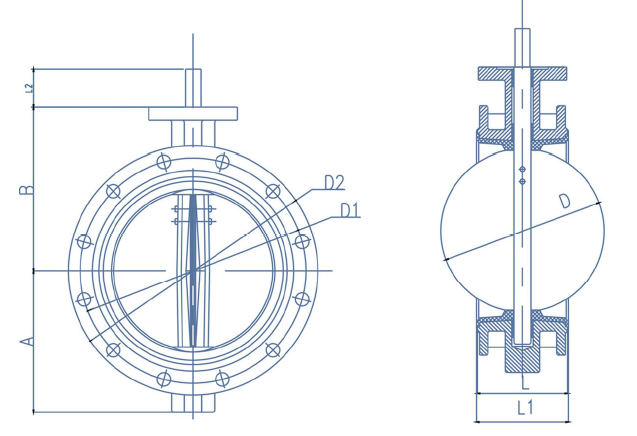
Dimension:(mm)

SIZE

L1

A

B

N-H

ISO5211


L2

2”

DN50

10883
120

4-10

F07

14

2.5”

DN65

11293130

4-10

F07

14

3”

DN80

114100145

4-10

F07

14

4”

DN100

127
114
155

4-10

F07

14

5”

DN125

140125170

4-10

F07

17

6”

DN150

140143190

4-10

F07

17

8”

DN200

152
170
205

4-12

F10

22

10”

DN250

165198235

4-12

F10

25

12”

DN300

178
223
280

4-12

F10

25

14”

DN350

190279310

4-12

F10/F12

40

16”

DN400

216
300
340

4-18

F14

55

18”

DN450

222345375

4-18

F14

55

20”

DN500

229
355430

4-18

F14/F16

55

24”

DN600

267410500

4-23

F16

60