Welcome to the official website of SHANGHAI YITAN VALVE CO., LTD
SHANGHAI YITAN VALVE CO., LTD
CONTACT US
Email: vickysong@yitan-valve.com
Mobile: +86-137 0166 2562
Contact: Vicky
SKYPE: songhuiyao730

Address:5 Floor, NO.277 Huqingping RD, Minhang district,  Shanghai, China

HOT PRODUCTS
CATEGORY
PRODUCTS
Tee strainer

Tee strainer

The T strainer is welded body, it can be made as per customer's requested. A T strainer is a device that removes small solid particles from liquids, which can protect the equipment of downstream. When the fluid enters the strainer cartridge with a certain specification of filter screen, its impurities are blocked, and the clean filtrate is discharged from the strainer outlet. When cleaning is needed, simply remove the detachable filter cartridge, process it, and reinstall it. Therefore, maintenance is extremely convenient. 


0.00
0.00
  
Product Description

The T strainer is welded body, it can be made as per customer's requested. A T strainer is a device that removes small solid particles from liquids, which can protect the equipment of downstream. When the fluid enters the strainer cartridge with a certain specification of filter screen, its impurities are blocked, and the clean filtrate is discharged from the strainer outlet. When cleaning is needed, simply remove the detachable filter cartridge, process it, and reinstall it. Therefore, maintenance is extremely convenient. 



Technical:

Pressure Rating: PN16/PN25/40/64CLASS150/300/600

Working Medium: Water

Working Temperature: 150

Flange Standard: EN1092-2 PN16/PN25/40/64, ASME B16.5
SIZE: 2"-36" (as customized)


Materials:

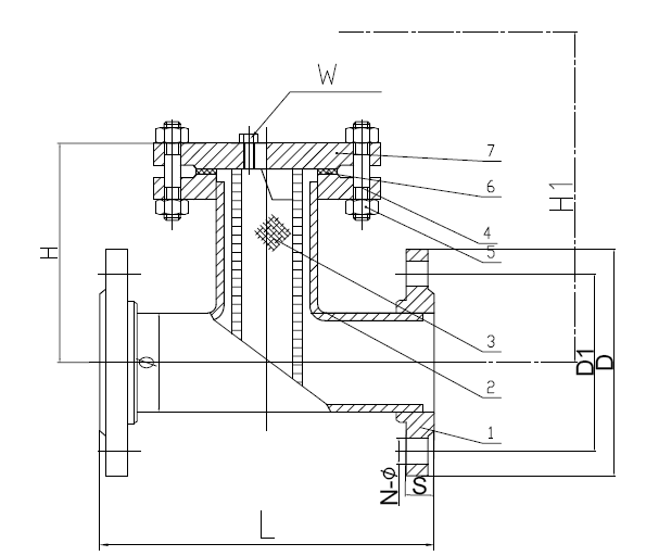
NO.

NAME

Material

1

Body

Carbon   steel/stainless steel

2

Cover

Carbon   steel/stainless steel

3

Screen

SS304/SS316

4

Gasket

PTFE/ SS304 sprial wound graphite

5

Bolt

Carbon   steel

6

Plug

Carbon   steel

* If any special requested, contact our factory for details.